
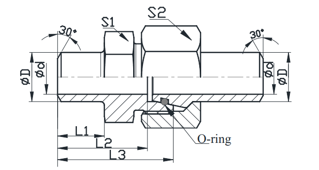
| Series | Part Code | WP (bar) | L3 (mm) | ØD (mm) | Ød (mm) | L1 (mm) | L2 (mm) | S1 (mm) | S2 (mm) | Recommended Tube |
|---|---|---|---|---|---|---|---|---|---|---|
| VI | 10Sx2.0 | 400 | 32.0 | 10 | 06 | 10.0 | 24.5 | 19 | 22 | 10×2.0 |
| VI | 10Sx2.5 | 630 | 32.0 | 10 | 05 | 10.0 | 24.5 | 19 | 22 | 10×2.5 |
| VI | 12Sx2.0 | 315 | 37.0 | 12 | 08 | 15.0 | 29.5 | 22 | 24 | 12×2.0 |
| VI | 12Sx2.5 | 400 | 37.0 | 12 | 07 | 15.0 | 29.5 | 22 | 24 | 12×2.5 |
| VI | 12Sx3.0 | 630 | 37.0 | 12 | 06 | 15.0 | 29.5 | 22 | 24 | 12×3.0 |
| VI | 16Sx2.5 | 315 | 41.5 | 16 | 11 | 16.5 | 33.0 | 27 | 30 | 16×2.5 |
| VI | 16Sx3.0 | 400 | 41.5 | 16 | 10 | 16.5 | 33.0 | 27 | 30 | 16×3.0 |
| VI | 20Sx3.0 | 315 | 47.0 | 20 | 14 | 19.0 | 36.5 | 32 | 36 | 20×3.0 |
| VI | 20Sx4.0 | 400 | 47.0 | 20 | 12 | 19.0 | 36.5 | 32 | 36 | 20×4.0 |
| VI | 25Sx3.0 | 250 | 51.5 | 25 | 19 | 19.5 | 39.5 | 41 | 46 | 25×3.0 |
| VI | 25Sx4.0 | 315 | 51.5 | 25 | 17 | 19.5 | 39.5 | 41 | 46 | 25×4.0 |
| VI | 25Sx4.5 | 400 | 51.5 | 25 | 16 | 19.5 | 39.5 | 41 | 46 | 25×4.5 |
| VI | 30Sx3.0 | 160 | 58.0 | 30 | 24 | 23.0 | 44.5 | 46 | 50 | 30×3.0 |
| VI | 30Sx4.0 | 250 | 58.0 | 30 | 22 | 23.0 | 44.5 | 46 | 50 | 30×4.0 |
| VI | 38Sx3.0 | 160 | 60.0 | 38 | 32 | 22.0 | 44.0 | 55 | 60 | 38×3.0 |
| VI | 38Sx5.0 | 250 | 60.0 | 38 | 28 | 22.0 | 44.0 | 55 | 60 | 38×5.0 |
Request a quote today to get the best solutions tailored to your needs, backed by our fast and reliable delivery. We also offer custom solutions designed specifically for your industrial requirements—call now to connect with our team and get started.
© 2026 Veermani Instruments